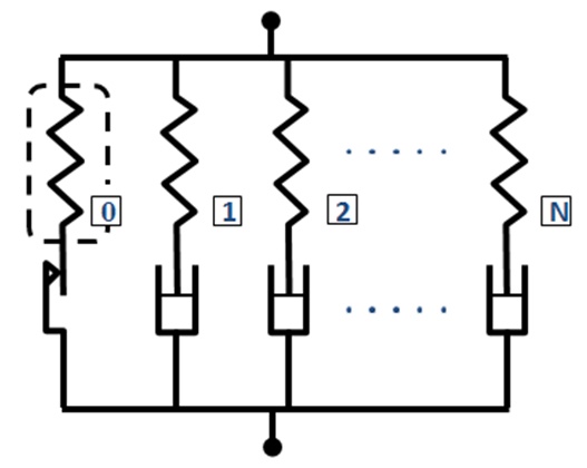
In previous posts, we have described both hyperelasticity and linear, or Prony series, viscoelasticity. This post assumes an understanding of those previous subjects. Beginning in Abaqus version 6.12, we added a capability to model nonlinear viscoelasticity with a generalized nonlinear Maxwell model, sometimes referred to as Maxwell-Wiechert, or just Wiechert.
http://en.wikipedia.org/wiki/Generalized_Maxwell_model
This nonlinear viscoelastic material model is referred to as the Parallel Rheological Framework model, or simply the PRF model. It has been extended in both 6.13 and 6.14 versions of Abaqus to include plasticity, Mullin's effect, and can be used with *TRS.
In preparing a one-day class on modeling of Polymers and Plastics, we show an introduction to the PRF model and an example of calibration of an elastomer which is only mildly nonlinear viscoelastic. Please see the attached PDF slides:
The attached zip file contains several "working files" used in the calibration:
ST_Visco.xls - the Excel file containing the raw data for the elastomer
Yeoh_curve_fit_ST.xlsm - the Excel file used to curve fit the hyperelastic part
Prony to Norton Conversion_3gs.xlsx - the Excel file used to convert the Prony parameters to a degenerate PRF model.
In this particular calibration example, we have focused on a strategy of using a high-rate simple tension test to calibrate the instantaneous hyperelastic model (a Yeoh model). Then we have used simple tension stress relaxation test data to calibrate a Prony series, we start with a Prony series because we understand how to calibrate it pretty well. Then we convert the Prony series parameters to a degenerate (linear) PRF model, in which the parameter n=1 and the parameter m=0. We then use a tool called MCalibration to refine the PRF model parameters, creating a nonlinear viscoelastic model for the elastomer.
This workflow around linear versus nonlinear viscoelasticity was also discussed in this 2014 Tire Society paper.
See also, Example #2: Calibration of a PRF Material Model for Polypropylene
Back to: Material Modeling and Calibration - An Overview and Curriculum
