It's been a while since last posting. I had previously hung the 3 overhead bins for my built-in cabinet design. Now, I am starting on the two upright cabinets. See model below:
First, I needed to buy more 3/4 plywood, enough for these 2 cabinets that are made from 2 sides and 3 shelves. There are also some thinner brace pieces on the back. So, I turned back to Cutlist Optimizer which I had last used to figure out the plywood for the upper storage bins.
Because these cabinets are a non-traditional 30 inches deep (as opposed to 24"), you cannot fit two of the side panels onto one sheet. I can't even fit one side and one shelf, so this could require a lot of plywood with a lot of waste.. I ran into my friend @.S , and he suggested making some of the pieces from 2 halves and glue them together. This was a good idea and I even own a biscuit cutter that can help with gluing the panels. So, I dialed in my dimension into cutlist optimizer and quickly figured the best option was to make each shelf out of 2 halves.
Above, I show one of the sheet diagrams. Two sheets is what is required to build one cabinet (4 sheets for 2 cabinets). And, I am hoping to get the back brace pieces out of the left over cutoffs.
When I am at the lumber yard, I have the guys do the first 2 rips on their panel cutter, which does a really nice job. I then bring all of the pieces home and bring them up onto my deck one by one and cut them down to length.
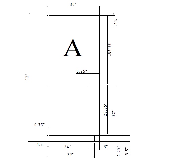
I start by cutting the big 30" side panels to length which is 73"
Then I cross cut all of the shelf halves.
I recut one side on each of the shelf halves so it was clean and straight for gluing purposes. Then I match up each half and marked 3 lines on the boards to use with the biscuit cutter.
I got some help from my son Matthew who helped me glue up the boards with biscuits and clamps.
The biscuits helped keep the boards lined up while clamping too.
I learned this when I was in college shop class: A good way to deal with the glue that squeezes out of the joint is to wait for the glue to dry a bit, then use a sharp chisel to scrape the glue off. It usually does a good job, as you don't want wet glue smearing into the wood grain that will seal the wood and show through any type of clear finish.
Another really great tip I picked up over the years...when working with plywood like this that you are going to polyurethane...put the finish on before you do much of the cutting. This will save you so much time and effort! As you can see from the picture below, before I did any of the routing on this side panel, I put on a good 2 coats of water based poly urethane.
I should also mention, that furniture grade plywood as I am using has 2 sides. A smooth side with minimal grain for painting and the other side which has a nicer grain that you can stain and/or clear coat. My cabinets will be woodgrain on the inside and painted a solid color on the outside.
So after putting poly on the "grain" side of each side panel I routed out all of the dados needed. I followed my drawings for all of the dado cuts.
If you remember, I built this cabinet design in xDesign. When I was working on the over head bins, I made some drawings to print and have in the shop. To be honest, I like having a paper print out of my shop drawings instead of dealing with a laptop or tablet. I like to have the paper in my hand and use it to jot down notes or sometimes calculate some simple math.
First time around, I opened my xDesign parts in SolidWorks Desktop and then created drawings from there. This worked ok, but when I went to do the same with the cabinet sides, I could not open them in Desktop and got an error... So, I exported a 3DXML of each side and brought into a version of xDrawing. That way I could bang out a quick drawing while still on the web in the xApps. I hope that xDrawing will be added to the Maker's package in the future.
After cutting the dados into the sides I brought the sides back into the shop and cut the toe kicks out of the corner for each. Instead of using a reciprocating saw, as I was worried about tear-out, I cut these notches out using my detail cutter and then Japanese saw.Lastly, I put some poly on the 2 vertical back braces after cutting them to length, 73". I cut 3 dados that will match up with the dados in the side panels for the shelves.
I glued the 2 braces into the back dado for each side for the 1st cabinet.
Next steps:
- Cut each of the 6 shelves to size
- Polyurethane both sides of each shelf
- Cut the notches out of the back of each shelf
- Cut each of the 6 horizontal back braces
- Dry fit the cabinet together
- Make second cabinet
