Hi,
I'm not a mechanical engineer, but I have a .dxf I'd like to convert to an .emf file, so I can import it into a Word 2007 document.
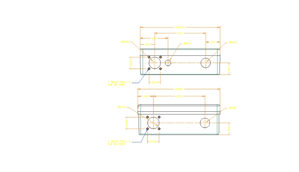
Please can someone tell me how to make all the text black?
I've tried changing to monochrome for printing, but this doesn't seem to affect the export options?
Surely there's a way to change it easily?
The drawing is made of two 'components', but I can't split them - the dimension text is yellow and the arrows are orange.
Thanks.
