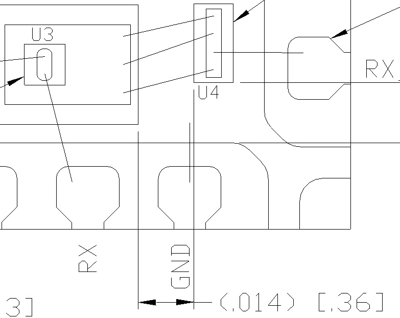
I have several drawings where we need to jog the dimension line around an object and I am curious to know how (or if) DraftSight can accomplish this.
This is an example of where a jogged dimension line would be used.....
I have several drawings where we need to jog the dimension line around an object and I am curious to know how (or if) DraftSight can accomplish this.
This is an example of where a jogged dimension line would be used.....