DraftSight 2020 x64 SP4 Standard for Windows 10
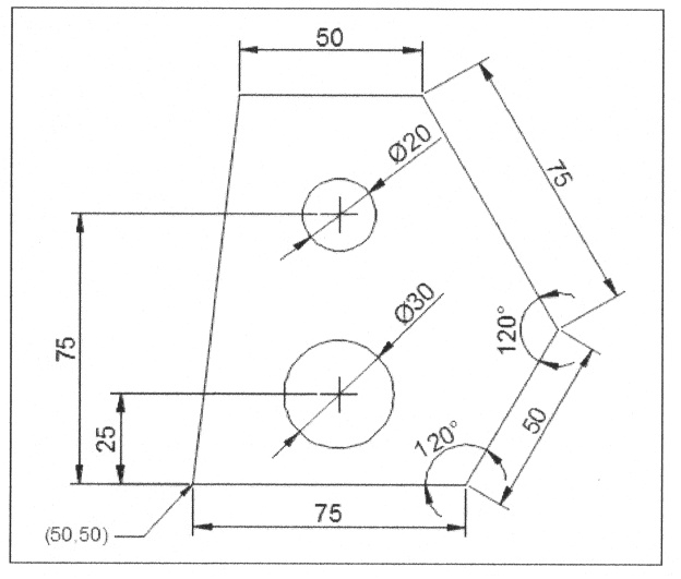
Hi, me again- trying to re-learn DraftSight after a 6-year hiatus. I am trying to draw this exercise using relative distance and relative angle (forget the circles):
When I enter the second point I get this (Command line image):
Where it says “Point or option keyword required” what is it looking for? Please note that the form “@75<@60” is shown as the second example in the Help table below for Polar (2D).
However, in the text below the table under “To specify relative polar coordinates and relative angle,” Step 3 says “Specify the second point with respect to the previous segment using the 2D format, "@relative_distance TAB @relative_angle", for example @7.5 TAB @45.” What I the world do they mean by “TAB”? I tried every which way to use it but it never worked for me.
DraftSight Help
http://help.solidworks.com/2019/English/DraftSight/html/coordinate_input.htm
Relative Coordinates and Relative Angles
Type of Coordinate Input Example
Cartesian (2D / 3D) @deltaX,deltaY / @deltaX,deltaY,deltaZ @3.5,8.2,6.7
Polar (2D) @relative_distance
@7.5<@45
Cylindrical (3D) @relative_distance
@7.5<@45,12.2
Spherical (3D) @relative_distance
@7.5<@45<@33
To specify relative polar coordinates and relative angle:
1. Enter a command requiring coordinates.
2. Specify the first point, for example 0,0.
3. Specify the second point with respect to the previous segment using the 2D format, "@relative_distance TAB @relative_angle", for example @7.5 TAB @45.
