Greetings!
This post is in continuation with our previous post about 'Design of Suspension and Steering System for a Formula Student Car (FSAE) using 3DEXPERIENCE Platform'. This post will be explaining about the process and obtained results for camber change rate in case of bump and droop in CATIA DBM.
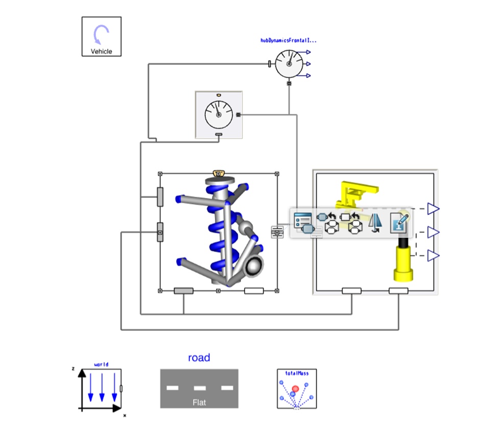
For this, VeSyMa suspension library from CATIA DBM is used for carrying out the iterations. A template named “Front Double wishbone Kinematics” from VeSyMa Suspension library is used for iterating geometry. By providing the input parameters related to the suspension geometry, Camber in the case of Bump and Droop is checked.
Figure 1 Front Double Wishbone Kinematics Template
Figure 2 Input Geometry
Figure 3 Bump/Droop Front view
Figure 4 Bump/Droop Isometric view
The above are the videos of the template simulating the double-wishbone suspension travelling through bump/droop.
The value of camber was computed in maximum bump (+25 mm) and droop (-25 mm) for different values of roll centre. The optimum value of the camber was obtained at 82 mm roll centre above the ground. For the optimum geometry, the camber in maximum bump and maximum droop evaluated is - 0.21 degrees and 0.2 degrees respectively. Similarly, the optimum geometry for the rear suspension was found using different templates available in the library.
In particular, the process followed in the case of roll will be discussed in the upcoming post.
Students Involved: -
Edu 3DEXPERIENCE CATIA Behavior Modeling Community Knowledge
Earlier Posts: -
