Hello everyone,
We are final year Mechanical Engineering students from Vishwakarma Institute of Technology, Pune, Maharashtra, India. Currently, we are working on the problem statement - 'Design of Suspension and Steering System for a Formula Student Car (FSAE) using 3DEXPERIENCE Platform'.
For this project, we are using CATIA Part Design for CAD Modelling, Dymola Behaviour Modelling for mathematical modelling, and the ENOVIA Project Planning app to schedule the various tasks and allot them to different members of our group. We are supposed to follow all the latest FSAE rules while designing. Following is the image of the Chassis/Body Representation which we are using for reference, to base our designs on.
The design of the steering system will be done after the suspension system design & geometry matures. So, first we have started with the design of the suspension system and the type selected is Double Wishbone suspension system for both Front and Rear. A double-wishbone suspension is an independent suspension design for automobiles using two wishbone-shaped arms (A-shaped arms) to locate the wheel. It allows each wheel to act and react independently from the others.
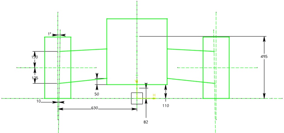
The first step in this design process is to decide the initial geometry for which iterations have to be carried out. To start with, we have to determine some initial hardpoints on the provided chassis. Hardpoints are the locations where suspension connects to the chassis. These are the locations on the chassis of a car that are designed to carry both internal and external loads. Initial hardpoints can be obtained by drawing some basic 2D sketches.
For example, we have made a simple 2D sketch of the front suspension system in CATIA Part Design and from this sketch initial hardpoints are determined. Following is the sketch of the front suspension system.
In the upcoming posts, we will be explaining all the steps that are involved in the design of double wishbone suspension system.
Students Involved:-
@PP
Edu 3DEXPERIENCE Work Showcase
