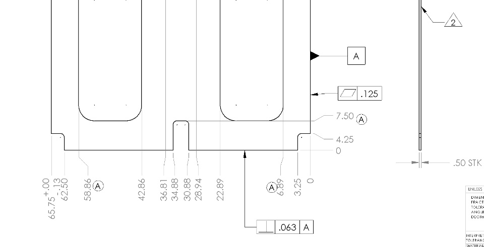
Hi, so I know this is a dumb and obvious question, but I need to know what to look under to do a dimensioning scheme like the one shown in the picture. Usually I just use the smart dimension feature but I've got a bajillion features to dimension on a new part and don't want so many leaders on the page. Thanks in advance.
SolidworksDrawings And Detailing