3D
EXPERIENCE |
3DSwym
SOLIDWORKS User Forum
EN
English
Français
Deutsch
Español
Èeština
Italiano
日本語
한국어
Português Brasileiro
Pусский
简体中文
繁體中文
Polski
|
Log in
Communities
SOLIDWORKS User Forum
How to do this dimension notation?
How to do this dimension notation?
SF
SF
2011-12-28
SOLIDWORKS User Forum
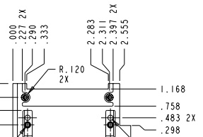
How to do the dimension notation as shown in the figure below? THX!
Solidworks
Drawings And Detailing