3D
EXPERIENCE |
3DSwym
SOLIDWORKS User Forum
EN
English
Français
Deutsch
Español
Èeština
Italiano
日本語
한국어
Português Brasileiro
Pусский
简体中文
繁體中文
Polski
|
Log in
Communities
SOLIDWORKS User Forum
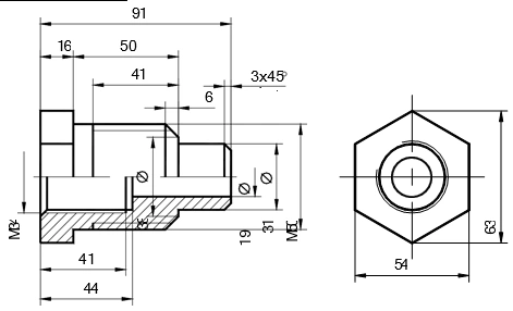
Guys help me pls
Guys help me pls
OC
OC
2024-10-07
SOLIDWORKS User Forum