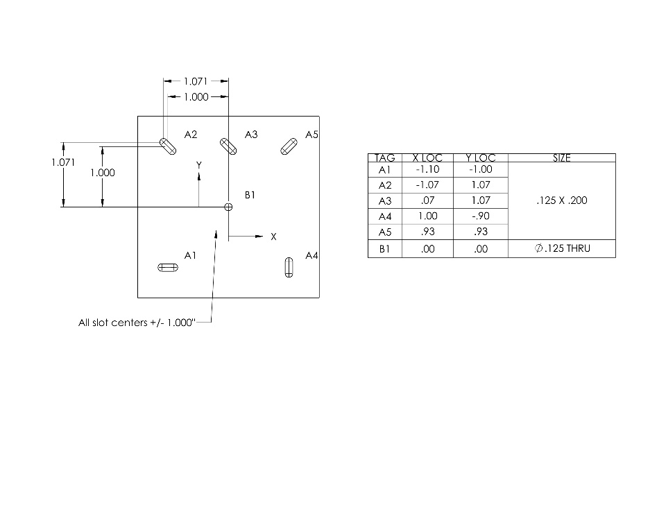
I found an error when using a hole table to dimension a group of slots. According to the help file: "non circular holes such as rectangles and slots are recognized as holes. The table lists the X and Y coordinates of the entities by their geometric centers..." I trusted this and wound up with a whole bunch of expensive scrap parts on a very complicated design. The hole table does not select the geometric center of the part, but uses the center of one of the end radii of the slot (apparantly at random) as the location in the chart. I am using SW2011 SP4 and previously created and imported the hole table by hand using excel. A sample of the error is shown
SolidworksDrawings And Detailing