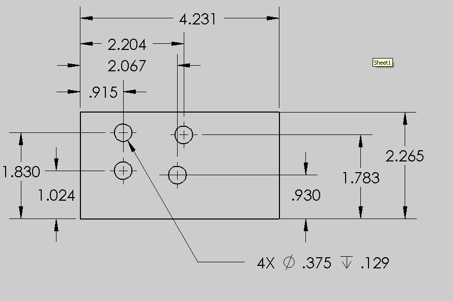
Ever wish that drawing dimensions would automatically put inX 4 PLCS. on a hole dimension that was made in a part where the 4holes were set as equal, for that matter any feature that is madeas a copy of another.
Would that not make your drawing time less?
Could it be a useful thing to have?
Hmmm.............
SolidworksDrawings And Detailing
Would that not make your drawing time less?
Could it be a useful thing to have?
Hmmm.............
SolidworksDrawings And Detailing
