@Glenn Schroeder
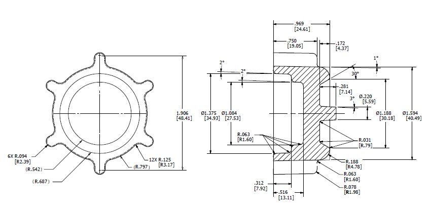
I am trying to make a aligned section view but my sectioned view is not aligned to the axis of model for which i am creating this sectioned view. I have attached the .sldprt and pdf files, please have a look.
SolidworksDrawings And Detailing