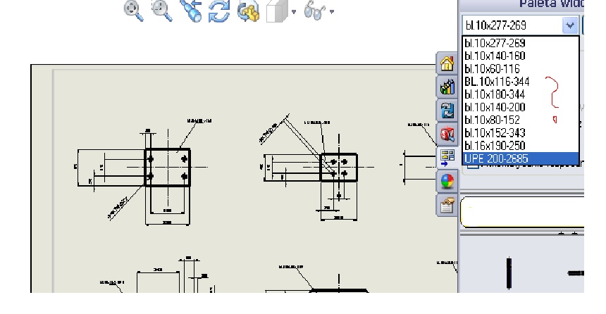
Hi,
"Assem advisor " thread inspired me to ask question how can easily
check if I put all parts of assem in drawing
( of course parts files have been marked in BOM)
shortly speaking , how to know which parts have already done?
(I dont want change the way I work with it only
sometimes large sheet includes to much parts
SolidworksDrawings And Detailing