Hello! I don't know if this is the correct place for this question so please correct me if I'm wrong.
I'm looking into Arduino based physical twins with Dymola and CATIA in an RFLP environment. By following the Arduino Robot tutorial in Edu SPACE I've been able to get the setup correctly on and off, but it's proving to be very inconsistent, as sometimes it will just not run at all for apparently no reason.
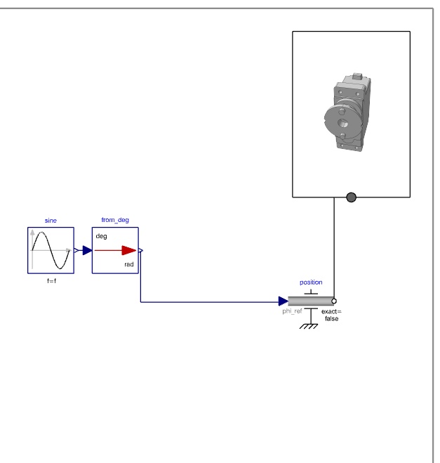
I'm currently just trying to control the CATIA servo with a Modelica sine block, no Arduino involved. Simulation runs perfectly fine if this is all in one Logical Reference, but when trying to connect one logical reference as the "Control", just with a sine signal coming out, and the other one as the "Servo", taking the input of control and getting it to the mechanism, it runs very quickly and without any visual in the model.
I'm pretty sure this is not supposed to happen. What can cause this? I attach a screenshot of the simulation message reporting. I don't entirely know what initial conditions are not specify or how to specify them.
On another note, if somebody could point me in the direction of some other learning material for these kind of applications, I'd be extremely grateful. I'm pretty lost as to how any of this works and would definitely love some help.
