Background:
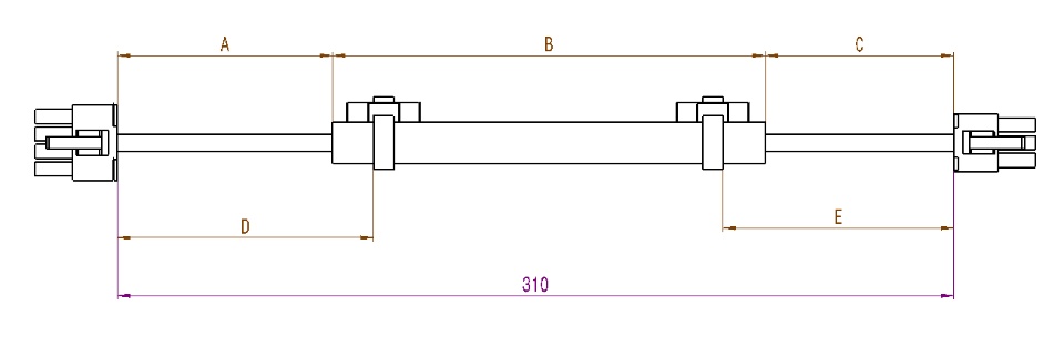
I have a wiring with 2 connectors, 2 tie wraps and protective covering.
In order to make the drawing look neat and tidy, I have scaled the wiring in Electrical Harness Flattening to fit the drawing sheet.
I am using Catia V5R26
Problem:
- Unable to extract the unscaled length of the protective covering to the drawing. (Dimension B)
- Unable to extract the start/end extremity distance of protective covering. (Dimension A, C)
- Unable to automatically generate to dimension the position of the tie wraps. (Dimension D, E)
I would like to have guidance about how I can automatically generate these dimensions.
Please tell me if additional information is needed
Edu
