Title:
Title should be short, crisp and to the point.
Example 👇🏻:
Design of Suspension System for Formula Student Car
Add Tags on the following topics:
Product Domain Competition App
Example 👇🏻:
(The product is 3DEXPERIENCE, the app is ENOVIA Project Planning)
3DEXPERIENCE Work Showcase CATIA Part Design ENOVIA Project Planning
FASE Vehicle Dynamics Steering Project Showcase
Your Design
Attach your 3D Data, You can import the 3DXML file of your component/Assembly in the post.
Upload a zip file of your model. (Optional if you want your design to be on "Download and Use" Wiki page.
Example 👇🏻:
Images/Videos:
While uploading images, please follow the below guidelines-
Attach good quality videos/Images of your work.
Image should not be blurry.
There is no limitation on number of images.
A complete video of your work is appreciated.
Example 👇🏻:
About the project:
While writing description, please ensure you provide the following context -
a. About yourself - are you a High school student? or Undergraduate Student or a Postgraduate Student/ Researcher.
b. Source of your software - As a student, which challenge are you participating in for which you received the software from DS, OR which student offer have you purchased , OR are you using the software supplied by your institute/university.
c. Which software product are you talking about - 3DEXPERIENCE Platform , SOLIDWORKS or any other?
d. Which app you are referring to? Example: Part Design, Generative Shape Design etc.
e. how did you do it OR what all steps you took
f. Any other information you wish to provide
(Please note: There is no compulsion to follow these ponits but it will help us to have uniformity in the posts.)
Example 👇🏻:
Hello everyone,
We are final year Mechanical Engineering students from Vishwakarma Institute of Technology, Pune, Maharashtra, India. Currently, we are working on the problem statement - 'Design of Suspension and Steering System for a Formula Student Car (FSAE) using 3DEXPERIENCE Platform'.
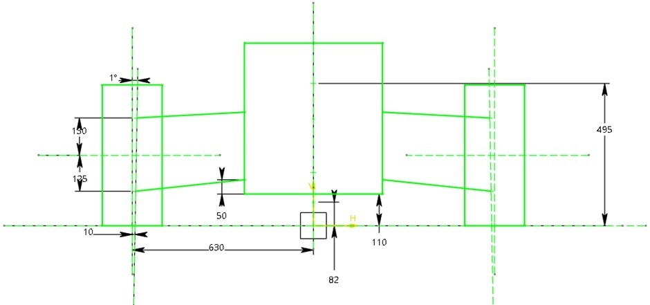
For this project, we are using CATIA Part Design for CAD Modelling, Dymola Behaviour Modelling for mathematical modelling, and the ENOVIA Project Planning app to schedule the various tasks and allot them to different members of our group. We are supposed to follow all the latest FSAE rules while designing. Following is the image of the Chassis/Body Representation which we are using for reference, to base our designs on.
The design of the steering system will be done after the suspension system design & geometry matures. So, first we have started with the design of the suspension system and the type selected is Double Wishbone suspension system for both Front and Rear. A double-wishbone suspension is an independent suspension design for automobiles using two wishbone-shaped arms (A-shaped arms) to locate the wheel. It allows each wheel to act and react independently from the others.
The first step in this design process is to decide the initial geometry for which iterations have to be carried out. To start with, we have to determine some initial hardpoints on the provided chassis. Hardpoints are the locations where suspension connects to the chassis. These are the locations on the chassis of a car that are designed to carry both internal and external loads. Initial hardpoints can be obtained by drawing some basic 2D sketches.
For example, we have made a simple 2D sketch of the front suspension system in CATIA Part Design and from this sketch initial hardpoints are determined. Following is the sketch of the front suspension system.
Project Members:
Tag your project members.
Example 👇🏻:
Edu Project Template
