Hello Everyone,
This post is in continuation with our previous post about 'Design of Suspension and Steering System for a Formula Student Car (FSAE) using 3DEXPERIENCE Platform'. This post will be explaining about the design of steering system.
After successfully completing the suspension system design, the next part was to design steering system while considering the orientation and design of knuckle, placement of suspension system components and some other parameters which affect the overall packaging of the steering system. For actuating the steering, rack and pinion mechanism was chosen in which the position of rack was important. After comparing the pros and cons, it was decided to place the rack below the driver’s legs and rearward to the front axle.
The height of the rack from the ground was decided to be 200 mm, this position will provide enough room for the driver in the cockpit and the rack will be packaged well with the chassis with respect to the FSAE rule of minimum cockpit space. With knowing the height of rack, length of pinion was easy to be calculated. To decide the position of rack behind the front axle, number of iterations have to be carried out to get the required turning radius from the vehicle and to minimize the bump steer.
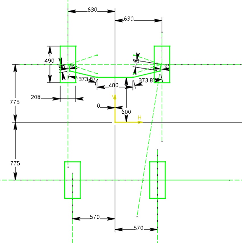
To achieve minimum turning radius between 2.5 to 3.5 meters the position of the rack, length of the steering arms and the inclination of the steering arms from the vertical was varied. To carry out these iterations, sketch shown in below was used.
The above figure shows the final steering geometry achieved after carrying out number of iterations which gives a turning radius of 2.9 meter and this turning radius is achieved when the rack is displaced by 36.5 mm. For this minimum value of turning radius, the outer wheel turns by 29.8 degrees and the inner wheel turns by 24 degrees from its static position. Basically, length of steering arm was decided to be 90 mm and inclination of steering arm from vertical is about 9 degrees.
The above figure depicts the geometry undergoing extreme right turn. To achieve the minimum possible turning radius on both sides, the rack must be placed by 36.5 mm from its center position.
The wheel lock to lock ratio was decided to be ± 120°. It means that when we turn the steering wheel from its position by 120° in either of direction (CCW or CW) the tyres will achieve the extreme angles that is the vehicle will trace minimum turning radius. So, when steering wheel is turned by 120°, the rack will be displaced by 36.5 mm and the inner wheel will turn by 29.8 degrees and inner wheel will turn by 24 degrees. In our case, the steering ratio is decided to be 4.02:1.
The ‘Rack and Pinion Kinematics Model’ available in CATIA DBM App of 3DEXPERIENECE Platform was used to carry out dynamic simulation of steering system.
For better understanding of the steering behavior and to verify the different parameter values, steering model from Vesyma Suspensions library was used. For performing this simulation, input co-ordinates shown below is provided. To carry out iterations, these co-ordinates were changed. Also, the ratio of steering angle (rad) to rack travel (mm) is provided.
From the above graph, it was observed that for the steering angle displacement of 120°, the rack got displaced by 37.8 mm and in actual the rack gets displaced by 36.5 mm according to the C-factor. Where V-factor is the relation between the rack displacement and steering wheel angle. So, the values obtained from Dymola model are in accordance with the actual values.
All the important data after iterations and final steering data obtained after all the iterations is mentioned in Table 1 and 2 below respectively.
Next post will be about the assembly of steering and suspension system and the complete assembly of the FSAE Car.
Students Involved:
@AK
Earlier Posts:
Edu 3DEXPERIENCE CATIA Behavior Modeling Work Showcase
