Hello everyone!
I am a Mechanical Engineering final year student at Vishwakarma Institute of Technology in Pune, Maharashtra, India. Currently, I am working with the #Scilab software. Scilab is a free and open source software for numerical computation providing a powerful computing environment for engineering and scientific applications. Scilab includes various functionalities like Maths and Simulation, 2-D &3D Visualization, Optimization, Statistics, Control Systems, Signal Processing, Application Development, Xcos-Dynamic systems modeling.
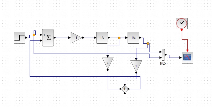
Here, I have developed the model of spring–mass-damper system in the Xcos. Initially we have a mass M which is attached to the spring (k) and damper(fv) and after applying force (F) it makes x displacement. For making the model in Xcos we have to make a transfer function in s-domain. After applying Newton’s Laws of Motion and Laplace Transformation Law we got the final equation as
After transferring the equation in the time domain we got the equation and made a diagrammatic representation of the Transfer function.
For making this model in the Xcos we have added 2 Integrals, 1 step function for source, 1 sink(CSCOPE) and for display 1 clock blocks, 1 Mux for signal routing such that we can get two signals at a time,3 Gain blocks for 3 constants. After arranging all blocks we made the following model.
After running the simulation we got output for 4 situations undamped, critically damped, Underdamped and overdamped respectively.
You can download Scilab from this website: https://www.scilab.org/
