Hello. New user on 2025.3.0 here.
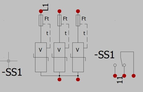
I'm trying to create a surge suppressor part that uses two symbols but I'm not getting the terminal numbers to assign correctly. The suppressor symbol is assigned a "Parent in table" cross reference type and the remote signal symbol is assigned a "Child" cross reference type. In the Manufacturer part properties, the suppressor symbol is assigned to the multiwire scheme. After adding the manufacturer part to the project, I can insert the symbols from the manufacturer part circuits, but the terminal numbers are not correct.
I've been through tutorials, videos and similar parts in the demo library but I don't see where my mistake is. Thanks for any suggestions.
